시퀀스(Sequence) 주요 용어
○ 시퀀스 제어 : 미리 정해진 순서나 시간 지연 등을 통해서 각 단계별로 순차적인 제어동작으로 전체 시스템을 제어한다.
On/Off 형태의 제어를 시퀀스제어라고 하며 순차제어 또는 순서제어라고하며 무조건적 시퀀스제어(교통신호,광고)와 조건적 시퀀스제어로 나눌 수 있다.
○ 여자(부세, Energized, 勵磁) : 계전기의 입력단자에 정격 전압이 인가되어 계전기의 전자석이 접극자를 흡인하여 접점이 구성된 상태를 여자라 한다.
○무여자(소자,소세, Demagnetized, 無勵磁)) : 전자석(coil)에 전류를 차단하면 자력을 상실하게 된다. 이때의 상태를 무여자라 한다.
○ 자기유지(Self Holding) : 계전기가 여자하면 계속 동작기능을 유지하는 것.
○ 자기유지접점 : 기동용 스위치를 눌렀을 때 계전기 보조 a접점이 붙어 이후 정지용 스위치를 누르기 전까지 계속 붙은 상태 유지함. 이 때 a보조 접점을 자기유지 접점이라 함.
○ 인터록(Interlock) : 2개 이상의 자기유지회로를 사용하여 두 계전기가 동작 시에 한 계전기가 동작하면 다른 계전기는 동작하지 않도록 하는 것.

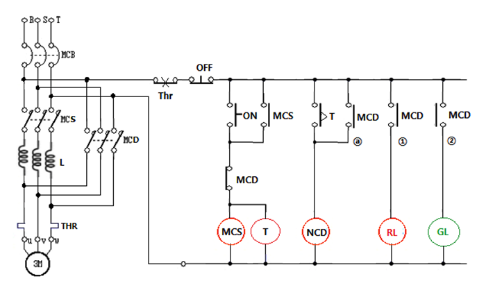
예시) 리액터 시동 정지 시퀀스 제어 회로

예시) 3상 유도 전동기의 역상 제동 시퀀스 회로
※ PLC(Programable Logic Control): 디지털 조작용 전자장치의 이름으로 복잡한 시퀀스 시스템을 프로그램으로 바꾸어 사용자가 사용하기 편리하도록 만든 Unit 이다. PLC는 입력을 프로그램에 의해 순차적으로 논리 처리하고 그 출력 결과를 이용해 연결된 외부장치를 제어한다. 순차제어(sequential control)에 사용되는 대표적 장치로 단독으로 쓰일 수도 있고, 스카다(SCADA) 등의 시스템과 함께 사용하기도 한다.
*SCADA(스카다): 감시 제어 및 데이터 수집(Supervisory Control And Data Acquisition, SCADA)
○ 시퀀스(Sequence) 주요 용어
PB 누름버튼 스위치, PB(Push Button) 또는 PBS(Push Button Switch)
E/S 비상 스위치
LS 리밋 스위치(limit switch)는 마이크로 스위치를 외력, 물, 기름, 먼지 등으로부터 보호하기 위하여 금속 케이스에 담은 스위치
TS 온도 스위치(Temperature Switch) : 온도가 예정치에 달했을 때 동작하는 검출 스위치
MS 마이크로 스위치(micro-switch)
PS 근접 스위치(Proximity Switch)
PES 광전 스위치(Photo Electric Switch)
S/S 셀렉터 스위치(Selector Switch)는 말 그대로 회로를 선택하기 위한 스위치이다. 모드(MODE)를 결정할 때 쓰인다.
F 퓨즈(Fuse)
ELB 누전차단기
MCCB 배선차단기
R(X), RY 릴레이
T 타이머
FR 플리커 릴레이
TR 온도계전기
EOCR 전자식 과전류 계전기
MC(PR) 전자개폐기
PL 파일럿 램프
BZ 부저(Buzzer)
'감리, 철도운행안전관리자 > 신호분야' 카테고리의 다른 글
| 선로전환기 점검 요령 (0) | 2024.12.13 |
|---|---|
| 선로전환기 종류, 특성 (5) | 2024.11.21 |
| 장내신호기, 철도정거장 배선 용어 정의 (0) | 2023.10.29 |
| 철도안전 전문인력의 자격기준 신호분야 / 선로전환기 장치 (0) | 2023.05.29 |
| 선로전환기 장치 (0) | 2023.05.29 |