[1] 3상4선식 R.S.T.N상
☞ 단상(單相, Single Phase) : 보통 의 교류라 말하며 3상 다상 의 반대 입니다.
☞ 3상 (3相, Three Phase)
① 주파수가 동일하고 위상이 2π/3[rad] 만큼씩 다른 3개의 파형
.3상 교류
② 상(phase) : 3상 교류를 구성하는 각 단상 교류.
③ 상순:3상 교류에서 발생하는 전압들이 최대값에 도달하는 순서.
☞ 단상 2선식 : 상이 하나이며 선이두개인 전기

☞ 단상 3선식 : 상이 하나이며 선이 3개인 전기

☞ 3상 3선식 : 상이 3개이며 선이 3개인 전기

☞ 3상 4선식 : 상이 3개이며 선이 4개인 전기

"상세설명"
1.3상 4선식 에서 R.S.T상은 특별한 의미는 없으나 일반적으로 알파 벳 순서대로 상을 구별하기 위해 붙인 거라고 생각하면 됩니다.
현재 한전은 A,B,C상으로 사용하고 있습니다.

-.왼쪽부터 R.S.T.N.-
2.N상은 중성선을 나타내는 Neutral의 약자며.3상을 Y결선하고 중 성점에 중성선을 결선 하는것입니다.
각 상끼리는 상전압이 걸리고 상과 중선선은 선간전압이 걸립니다
Y결선에서 상전압은 선간전압의 루트3배 입니다.
☞ N상은 Y(와이결선or스타결선)결선에서 중성점을 접지 시킨게 N상 이며,변압기 2차측에서 제2종접지를 한 상태의 전로로 이론상으 로는 전위가 0 가 되어야 하지만, 접지저항 과 Unbalance등으로 인하여 약간의 전압은 유기 됩니다.
☞ 따라서 미소전류는 흐르지만 전위차는 접지와 0V가 되기때문에 피부로 느낄 정도는 아닙니다.
☞ N상과 접지를 혼동 사용하는 경우도 있는데 접지와는 전혀 다른 용도로 사용됩니다.
접지는 전기기기 누설전류를 흘러 보내어 전기기기와 대지간의 전위차를 0으로 만들어 감전을 방지하는것이 목적이고또한 접지는 부하를 물려서 전류를 흘리는 목적이 아니기 때문에 부하를 물려 전력을 얻기 위한 목적으로 사용 해서는 안됩니다.
하지만 N선은 부하를 물려 전력을 얻기 위한 목적으로 사용하는 선입니다
N 상을 접지시키면 누전차단기가 작동되어 전기사용을 못합니다.

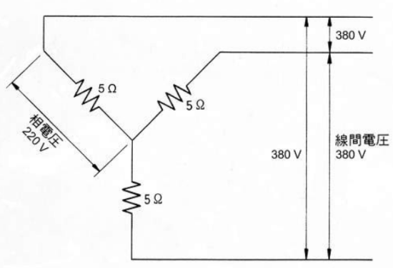
Y결선 선간전압 220V *√3 = 상전압 380V
☞R.S.T상 또는 A.B.C상 이렇게도 표시하며, 단만 N상은 중선선으 로 동일하게 표시합니다.
☞아래 그림을 보면 건물 메인에 R.S.T. 3선과 N선이 들어오고, R.N 을 묶어 주면 220V, S.N을 묶어주면 220V, T.N을 묶어 주면 가정 에서 사용하는 단상 2선 220V로 사용할 수 있게 됩니다.
우리가 사용하는 일반 가정용 전기는 대부분은 아래 그림 처럼 2 가닥(R,N . S,N . TN) 만 묶어서 220V사용합니다.


3상4선 N상 에 R.S.T상각각 결선 220V 사용 3상4선 배선차단기 에 N상열결 1상2선 220V 사용
☞그러나, 엘리베이터, 대형 에어컨 등은 전기 모터를 사용하기 때 문에 380V사용하게 되고,R.S.T 만 결선 사용합니다.
☞3상이란 교류, 즉 일정한 파도 형식으로 타이밍이 120도 다른 3개의 파도가 각각의 선으로 들어오고, 3개를 합치면 380V전기 사용할 수 있고, N상에 각각 하나씩 사용하면 220V 전기를 사용할 수 있습니다.
☞3삼4선식 결선에서 문제는 균형입니다.
3개 220V 전기 가운데 한쪽에만 모두 연결하여 사용한다면 어떻 게 될까?
단독 주택이나 아파트 등에는 이런 문제가 없도록 전기 용량을 배 분하여 배선을 하기 때문에 문제가 안되지만, 상가나 빌딩 등에서 는 한쪽에 전기 용량을 초과하는 에어컨을 달거나, 전열기를 사용 하는 등의 문제로 전기 차단기가 쉽게 차단되는 경우를 보게 됩 니다.
즉, R.S.T 상중 어느 한상에 220V 전원을 집중결선 사용시 차단기가 자주 차단되며,바로ON시켜 사용 빈번 할경우 차단기의고장 원인과 사고 위험이 발생될 수 있어 R.S.T.상에 골고루 분배 결선 사용하여야 안전합니다.
3.3상 4선식은"전원선(R상),"전원선(S상),"전원선(T상),"중성선(N 상),상이 세가닥 이고, 선은 네가닥인 배선방식 이며,3상은 Moto r 를 돌린다 든지, 동력전원을 얻는데 많이 사용됩니다.
이때 얻어지는 전압이 만약 380V라면 전원선끼리 전압계로 측정하 면 380V의 전압이 나오고 전원선 어느것 한가닥과 중성선 에서는 220V가 측정 됩니다.


☞동일한 소비전력 제품이라면 전압(V)이 높으면 전류(A)는 작아지 고.전류가 작으면 전선 굵기도 가늘어진것을 사용하게 됩니다.
그래서 큰 용량의 에어컨은 380V 3¢4선식을 이용하여 동력은 3상 380V로, 조작부 전원은 단상220V를 사용할 수 있도록 3상4 선식을 이용합니다.
☞각기기별로 회로가 붙어있고, 전선결선 부분에 R.S.T.N으로 표시 되어 있어,R, S, T 상이 바뀌면 Motor의 회전방향이 달라집니다.
간단히 상을 체크할 수 있는 방법은 임시로 전선을 연결하고 살 짝 전원투입 기동 시켜 봤을 때,회전방향이 제대로이면 그대로 결 선하고 만약 회전방향이 반대라면 상 두가닥을 바꿔주는 겁니다.
☞(R-S,S-T,T-R) 이렇게 두가닥만 바꿔주면 회전방향이 달라집니다.
회전방향이 확인 결선하고 전기 테이프로 잘 감아서 절연을 시켜 줘야 됩니다.
물론 여기에서는 N상은 관계없습니다..
☞그리고 2C, 3C 하는것은 전선의 가닥 수를 말하는것으로 2co re, 3core 로 2코어, 3코어 등으로 말하고,스퀘어(square)는SQ 로 표시하고 배전기기에 따른 전선의 굵기를 적어주는데,사용전력 계산 표를 참조하여 선택사용합니다.

4.부하 전류에 따른 차단기, 전선 굵기 선정 시 유의 사항입니다.
☞부하 전류보다 차단기 용량이 커야 하며, 차단기 용량보다 전선굵기가 굵어야 합니다.
①차단기는 대체적으로 ELB을 사용하는데, 실제 정격에 70~80% 밖 에 사용되지 않습니다.
②단상의 경우 실제 약 4kW 전력시 20A의 차단기에 걸리는 전류 14A~16A 정도 걸립니다.
③단상 경우 약 4KW전력, 20A차단기 사용시 전선 굵기 약 4SQ정도 사용하게 됩니다.
④반듯이 차단기나, 전선 긁기 선정시에는 기기의 최대 용량(전력 W)전류(A)계산하여 사용부하 전류보다 높은 차단기를 사용하여야 하며 전선은 차단기 용량보다 큰 굵기를 사용하여야 합니다.
☞사용 전류보다 차단기 전류가 같거나 낮으면 차단기는 수시로OFF 되는 현상이 나타나며, 차단기보다 전선 굵기가 작으면 선에서 열 발생 하게 되며, 또한 너무 굵은 전선 사용시 차단기에 열이 발생하게 되여 차단기의 고장 원인이 됩니다.
이러한 문제을 안전한 방법으로 선택 사용할 수 있도록 한국전력 에서 계약전력에 따른 차단기용량 선택과 그에 따른 전선굵기 선 정표를 만들어 전류만 계산되면 바로 선정 할 수 있도록 지식정 보에 게제되어 있습니다.
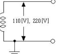
4.단상 3선식은
☞전원선, 중성선, 전원선 으로 나눠집니다.
양쪽 끝부분 전원선끼리 두가닥을 접속하면 220V 의 전압을 얻을 수 있고 전원선 한가닥과 가운데 중성선을 접속하면 110V를 얻을수 있으며 약 25년전 110, 220 동시 수용가의 전력 공급방식 있 었을 때 사용하던 전원 방식입니다.
현재는 오래된 아파트 또는 건물에서 희소적 사용되는 경우가 있 습니다.
단상3선식



5.3상3선식
☞3상 3선식은 Δ(델타)결선을 말하는 것으로,상 전압과 선간 전압이 동일하고, 상(相) 전류와 선(線) 전류는 root 3배 차이가 납니다.
3상 3선식은 220V △ 결선이고 중성 점(중선선)이 없습니다.
공급방식과 전압 자체가 완전히 다릅니다.


☞3상 4선 공급방식에 3상 3선식 220V 기계를 쓰시려면 380 →220 3상 다운 트랜스(trans)를 반드시 사용하여야 합니다.
☞델타(delta)결선의 경우 한상이 고장 났을때, V결선으로 사용이 가 능하며, 이때는 델타결선에 비해 1 / root 3배의 출력이 나옵니다.
(흔히 이용률 = 0.866, 출력비 = 0.577 이라고 하죠.)

6.단상2선, 단상3선, 3상3선, 3상4선의 차이점
① 단상 2선식은 일반 가정과 소규모 용량에서 사용하며 방식이며 모두 220V 입니다.
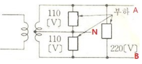
② 단상 3선식은 잘 사용하지 않는 방식이며 가운데 선을 공통선으로 양쪽선을 사용하는 방식이며 110 / 220V입니다.
③ 3상 3선식은 델타결선 방식이며 3상 220V 또는 3상 440V를 사용하며 주로 옃날 일본에서 수입된 공장기계 등이 배선방식을 사용하고 있습니다.
④ 3상4선식은 가장 많이 사용하는 배전방식이며 단상 220V와 3상 380V를 겸용으로 사용할 수 있는 잇점이 있습니다.
즉 전등이나 콘센트 부하인 경우에는 220V가 필요하므로 R-S-T중 한선과 N상을 사용합니다.
⑤ 3상 모터와 같은 동력을 필요로 하는 부하에는 R-S-T 선만 공급해 주면 380V의 동력공급도 가능합니다.
7.델타(△)결선과 와이(Y)결선 차이점
① 3상전력의 특성( 벡터:시간적으로 차이를 두고 돌아가는 교류전 압의 특성)을 이용하면, 380V 3상으로 전압을 높여도 220V용 삼 상 기기들을 그대로 쓸수 있는 결선방법이 "와(Y)이결선 입니다.
② 단상 220V 변압기 3대를 와이결선 하여 380V을 출력합니다.
③ 변압기나 Motor나 모두 220V 결선을 Y결선으로 바꿔주면 되므 로, 기기를 그대로 사용할 수 있는것 입니다.
즉,220V 와 380V을 같이 쓸수 있는 '3상 4선식 380V' 전력입 니다.
④ 3상 3선식은 델타결선 방식이며 3상 220V 또는 3상 440V를 사용 하며 주로 옃날 일본에서 수입된 기계설비 등에 사용한 배선 방 식으로 사용, 현재는 거의 사용하지 않습니다.
===================================
한국전기설비규정(KEC)
120 전선
121 전선의 선정 및 식별
121.1 전선 일반 요구사항 및 선정
1. 전선은 통상 사용 상태에서의 온도에 견디는 것이어야 한다.
2. 전선은 설치장소의 환경조건에 적절하고 발생할 수 있는 전기・기계적 응력에 견디는 능력이 있는 것을 선정하여야 한다.
3. 전선은 「전기용품 및 생활용품 안전관리법」의 적용을 받는 것 이외에는 한국산업표준(이하 “KS”라 한다)에 적합하거나 동등 이상의 성능을 만족하는 것을 사용하여야 한다. 다만, KS가 없는 경우에는 국제적으로 통용되는 IEC, EN, NEC 등의 표준을 기준으로 동등 이상의 성능을 판단한다.
121.2 전선의 식별
1. 전선의 색상은 표 121.2-1에 따른다.
표 121.2-1 전선식별
| 상(문자) | 색상 |
| L1 | 갈색 |
| L2 | 흑색 |
| L3 | 회색 |
| N | 청색 |
| 보호도체 | 녹색-노란색 |
2. 색상 식별이 종단 및 연결 지점에서만 이루어지는 나도체 등은 전선 종단부에 색상이 반영구적으로 유지될 수 있는 도색, 밴드, 색 테이프 등의 방법으로 표시해야 한다.
3. 제1 및 제2를 제외한 전선의 식별은 KS C IEC 60445(인간과 기계 간 인터페이스, 표시 식별의 기본 및 안전원칙-장비단자, 도체단자 및 도체의 식별)에 적합하여야 한다.








'감리, 철도운행안전관리자 > 전기분야' 카테고리의 다른 글
| 전선의 색상 식별, 3상 4선식(RSTN) (0) | 2025.04.13 |
|---|---|
| 직관(일자형) 형광등, 컴팩트 형광등, LED 조명 (0) | 2024.12.17 |
| 전기 회로도 기호 (0) | 2023.09.17 |
| 전기 감전 위험 암페어 (0) | 2023.09.14 |
| 암페어에서 볼트, 볼트에서 암페어 계산기 (0) | 2023.08.24 |