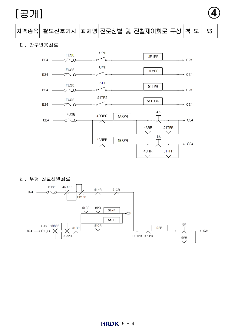
과제명: 진로선별 및 전철제어회로 구성 - 공개 4번







====================
결선 작업용 공구는 아래 4종류만 있으면 됩니다.
일자(-) 드라이버, 롱로우즈 플라이어, 와이어스트리퍼(자동피복기), 터미널압착기, 추가 시험용 벨테스터기(도통 시험기)



계전기 잭(Jack) 번호
R C C N R C N
9 9 5 5 1 1 1
10 10 6 6 2 2 2
11 11 7 7 3 3 3
12 12 8 8 4 4 4










=====================
철도신호산업기사 공개 1번 - 핀번호
괴제명: 압구반응 및 접근쇄정회로 결선


---------------------
연동도표 - 참고용

'감리, 철도운행안전관리자 > 신호분야' 카테고리의 다른 글
| 신호설비 도식기호 표기방법 (0) | 2026.02.24 |
|---|---|
| 철도박물관 (2) | 2026.01.09 |
| 차상선로전환장치 [Car Upside Point Device, 車上線路轉換裝置] (0) | 2025.10.19 |
| 철도전기신호기능사, 신호기사 실기시험 (1) | 2025.09.28 |
| 열차 사이 차단작업 (2) | 2025.09.09 |